Lightspeed LSA56適用于Gentex HGU-56 / P航空頭盔
發布時間:2020-12-31 15:45:12 瀏覽:3155
Lightspeed LSA56耳機是專為GentexHGU-56/P頭盔設計的唯一先進的有源降噪(ANR)和音頻解決方案。Lightspeed LSA56可安裝在現有頭盔或新頭盔中。
對于尋求在安靜頭盔通信中取得最佳效果的直升機飛行員來說,GentexHGU-56/P的LSA 56是無與倫比的。該頭盔是用Gentex開發的,受到客戶對我們耳機的要求的啟發,并專門為直升機飛行員設計。亮點LSA 56具有著名的Lightspeed功能,包括采用符合泡沫技術的舒適的Gentex耳封、凱夫拉纖維增強電纜組件、完整的藍牙功能、快速電纜斷開和三年保修。
LSA 56的好處
減少背景噪音,增加焦點
減輕飛行員和機組人員的疲勞
增強情境意識
保持聽力
包括用于備份通信、音樂和應用程序警報的藍牙連接
使用Lightspeed專用快速斷開電纜快速安全脫線
符合Gentex橫向沖擊規范

特征
ComPriority?-永遠不會錯過重要的無線電通信。Compriority擁有Lightspeed專利技術,可在無線電或對講機傳輸過程中自動減少任何輔助設備的體積。
舒適的設計-毛絨符合大量的表面積Plush Comply?耳封設計舒適時,長時間工作。
噪音降低和聲音清晰-減少疲勞和更清晰的溝通讓你專注于飛行和手頭的任務。
無縫頭盔集成–符合gentex HGU-56/p側面碰撞規范。
Auto Shutoff?–Lightspeed專有的Auto Shutoff功能可在耳機不使用時自動關閉,從而節省電池壽命。
Flightlink兼容–通過附帶的跳線,使用Lightspeed的Apple iPad和iPhone的免費Flightlink錄制應用程序捕獲所有通信。
移動電話/音樂連接–除了完整的藍牙連接外,LSA 56還提供了一個集成控制盒,帶有輔助輸入,可以方便地連接移動電話或音樂/音頻設備。
藍牙連接–通過移動設備上的航空應用程序,享受卓越的通話清晰度、音樂保真度和對關鍵音頻警報的無線訪問。
非常舒適–毛絨耳罩的表面積比我們最近的競爭對手大20%,耳罩的空間為30%。這增加了覆蓋率的結果是更好的密封和更舒適的重量和側壓力分布。
凱夫拉爾電纜比傳統電纜更堅固耐用,這些電纜比非侵入式電纜更耐用。
快速斷開電纜–使用Lightspeed專有的快速斷開電纜,以9磅(4千克)的拉力快速安全地離開,使緊急出口更安全。
包括配件-包括2節AA堿性電池、1條iPhone電纜和電纜夾。
Lightanspeed僅提供三年的材料和安裝質量缺陷保修。
Lightspeed 是世界領先的主動降噪ANR產品制造商,其降噪耳機廣泛用于飛行裝備,和其他特殊應用場合。深圳市立維創展科技有限公司,持續提供Lightspeed 預定渠道,部分型號備有現貨庫存,歡迎咨詢。
詳情了解Lightspeed 請點擊:/brand/64.html
或聯系我們的銷售工程師:0755-83642657 QQ: 2295048674
上一篇: Q-Tech太空晶體振蕩器
推薦資訊
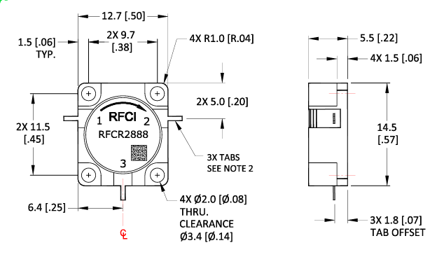
RFCR2888是一款高性能的嵌入式X波段同軸環形器,具備8000至10500 MHz的寬頻率范圍、低插入損耗(小于0.35 dB)、高隔離度(大于22 dB)以及良好的回波損耗(大于22 dB),設計緊湊且能夠承受高達500瓦的正向功率和35瓦的反向功率,適用于雷達、通信和電子對抗等高頻應用場景。
JQL Electronics表面貼裝環形器和隔離器是應用于無線通信(PCS、DCS、5G等)、蜂窩網絡和高功率射頻系統的關鍵元件,具有高隔離度(20-23dB)、低插入損耗(≤0.5dB)、高功率處理能力(≤100W)和寬溫工作范圍(-40°C~85°C)等特點。
在線留言