RFCR2888嵌入式X波段同軸環形器RFCI
發布時間:2025-02-21 13:40:56 瀏覽:1226

RFCR2888是一款高性能的嵌入式X波段同軸環形器,專為需要高頻率、低損耗和高隔離度的應用設計。以下是該環形器的詳細介紹:
產品概述
RFCR2888環形器工作在X波段,頻率范圍從8000 MHz到10500 MHz,覆蓋了X波段的主要頻率。這種環形器在雷達、通信和電子對抗系統中有廣泛的應用,特別是在需要高頻率和高隔離度的場合。
機械特性
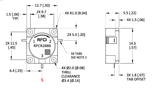
尺寸:該環形器的尺寸為12.7 mm(0.50英寸)寬,6.4 mm(0.25英寸)高,適合嵌入式安裝。
安裝:設計有4個直徑為1.5 mm(0.06英寸)的安裝孔,方便固定。
引腳:2個直徑為5.0 mm(0.20英寸)的引腳,3個引腳的偏移量為1.8 mm(0.07英寸),確保了良好的電氣連接和機械穩定性。
電氣性能
頻率范圍:8000 MHz至10500 MHz,覆蓋了X波段的主要頻率。
插入損耗:典型值小于0.35 dB,最大值0.50 dB,保證了信號傳輸的低損耗。
隔離度:最小值18 dB,典型值大于22 dB,提供了良好的信號隔離,防止信號干擾。
回波損耗:最小值18 dB,典型值大于22 dB,確保了良好的信號反射特性。
功率和溫度等級
正向功率:最大500/50瓦特,能夠承受高功率信號。
反向功率:最大35瓦特,適用于連續波(CW)操作。
工作溫度:-40至+85°C,適用于各種環境條件。
存儲溫度:-40至+95°C,確保了在極端溫度下的存儲安全。
應用
RFCR2888環形器適用于需要高頻率、低損耗和高隔離度的應用,如:
雷達系統:用于信號的分離和保護接收器。
通信系統:用于信號的隔離和方向控制。
電子對抗:用于信號的干擾和保護。
RFCI是一家專業生產射頻(RF)環行器和隔離器的公司,產品覆蓋了從50 MHz到20 GHz的頻率范圍,廣泛應用于通信和無線基礎設施。深圳市立維創展科技有限公司優勢代理銷售RFCI產品,歡迎咨詢了解。
推薦資訊
MKU PA 4M-35W HY是一款專為業余無線電愛好者設計的高性能MOSFET功率放大器,適用于68.75 MHz頻段的SSB和CW等通信模式。其技術規格包括40 W的飽和功率、37 dB的增益和60 dB的諧波抑制,工作電壓為12 - 13.8 V DC,并具有線性度好、內置低通濾波器、反向極性保護和功率監測等功能特點,是業余無線電通信的理想選擇。
BC440系列閃爍體以特殊改性聚乙烯甲苯為基底,將BC408和BC412高級閃爍體性能用于高溫環境,具備聚苯乙烯基閃爍體高溫特性且無光產量降低問題,其基本物理特性包括密度1.03 g/cc、膨脹系數(<67℃)7.4×10??/℃、折射率1.58、輻射長度43 cm,還涉及閃爍特性、機械性能及原子組成等方面。
在線留言