Bliley AtlasIG是一款集成GNSS接收器的低功耗、高精度GPS校準OCXO,提供10MHz參考頻率和精準定時信號,具備±15ns的1PPS精度、350mW穩態功耗、緊湊尺寸及優異相位噪聲性能(-123dBc/Hz@10Hz),支持多頻段衛星系統,冷啟動時間26秒,工作溫度范圍寬(標準0°C至70°C,擴展-40°C至85°C),可靠性達25萬小時MTTF,適用于嚴苛環境的高精度同步需求。
iNRCORE的10/100/1000BASE-T變壓器模塊(如1000B-5009系列)專為以太網通信設計,支持單/雙端口應用,具備優異的電氣性能和機械可靠性。該系列模塊適用于交換機、路由器、工業通信(惡劣環境)及數據中心高速網絡,滿足10/100/1000Mbps傳輸需求,確保穩定信號傳輸。
2N3902和2N5157是Solitron Devices生產的NPN功率晶體管,采用TO-3封裝,符合軍用標準MIL-PRF-19500/371。2N3902的VCEO為400V/3.5A,2N5157達500V/3.5A,均具備5W(25°C)至100W(75°C)的功耗能力,特性包括低導通電阻、快速開關和高截止電壓。適用于高壓逆變器、音頻放大器、電機驅動及工業高可靠性場景,衍生型號含JAN、JANTX、JANTXV等軍用級版本。
Arizona Capacitors是ETI旗下專注于工業和軍用標準薄膜電容器的制造商,通過ISO 9001:2015和MIL-STD-790認證,產品涵蓋金屬管狀/矩形、酚醛管材及玻璃管電容器四大類型,具備自愈特性、耐高溫(-55°C至125°C)及高電壓(3kVDC-150kVDC)能力。其技術指標如2μF電容值和低損耗因子(<0.6%)領先行業,與Vishay、TDK等國際巨頭競爭,尤其在航空航天和軍事領域占據重要市場地位。
Linear Systems 2N4351 是一款 N 溝道增強型 MOSFET,采用 TO-72 4 引腳封裝,可直接替代 Intersil 2N4351,具有高跨導增益(1000μS)、低導通電阻(300Ω)、低漏電流(10nA)和快速開關特性(開啟延遲 ≤45ns,關閉延遲 ≤60ns),適用于開關電源、信號處理、模擬開關和保護電路等高頻、高精度應用。其最大漏極電流為 20mA,耐壓 25V,工作溫度范圍 -55°C 至 +150°C,連續功耗 350mW。
Marvell? Prestera? 98DX25xx 系列是一款面向企業及中小型企業的以太網交換機,具備高性能、低功耗和增強安全性,支持多速率端口(1G/2.5G/5G/10G/22G)和云邊緣遙測功能,適用于接入、匯聚及物聯網場景,提供優化的物料清單和超過20%的功耗節省,并集成SecureIQ安全技術確保網絡防護。
Teralynx是Marvell推出的高性能網絡交換機系列,采用創新架構,提供高帶寬、低延遲、高端口密度、低功耗和靈活可編程性,適用于云數據中心(如ToR和Spine/Leaf架構)及AI集群(優化訓練與推理)。該系列已在全球大型云數據中心大規模部署,驗證了其可靠性和高效性能。
Ampleon是一家總部位于荷蘭的高科技公司,專注于射頻功率解決方案,擁有60年的技術積累,主要產品包括無線通信(4G/5G)、廣播、導航、工業及醫療領域的射頻放大器。公司憑借LDMOS和GaN技術優勢、全球16個站點的布局以及可靠的供應鏈,為通信、廣播、工業和醫療等行業提供高性能解決方案。
C4H27P400A是Ampleon公司推出的400W功率氮化鎵(GaN)晶體管,專為2620 MHz至2690 MHz頻段的基站射頻功率放大器設計,具有高效率(58%漏極效率)、寬帶設計、低輸出電容、內部匹配、塑料封裝等特點,符合RoHS標準,支持多載波應用,適合現代通信基站的高效功率放大需求。
Marvell? Prestera? 98DX45xx 系列是一款專為企業接入和邊緣網絡設計的高性能、多速率以太網交換機,適用于數字轉型背景下的多樣化網絡需求。該系列產品支持多千兆速度(1/2.5/5/10G)的下行端口和高容量上行鏈路(10/25/50/100G),滿足WiFi6和帶寬密集型應用的需求。98DX45xx系列通過高度集成的設計、豐富的功能和卓越的性能,為企業網絡提供了高速接入、靈活連接和安全可靠的解決方案,是接入和邊緣網絡部署的理想選擇。
DEI0429-WMB 是一款航空電子專用的 ARINC 429 線路驅動器,支持高速(100 kHz)和低速(12.5 kHz)數據傳輸,兼容 TTL 和 CMOS 輸入。它具有低功耗、可調轉換速率、過壓保護、寬溫度范圍(-55°C 至 +125°C)和兩種工作模式(429 和 422 模式),適用于飛機通信、導航和控制系統。封裝為 16 引腳陶瓷 SOICW。
Ampleon的ART2K5T系列是基于其先進的ART LDMOS技術開發的高功率分立晶體管,專為HF到UHF頻段(通常<500MHz)的高功率和堅固性需求設計。型號包括ART2K5T-100、ART2K5T-200和ART2K5T-400,分別支持100MHz、200MHz和400MHz頻率范圍。廣泛應用于工業(如等離子體生成)、科學(如MRI成像)、醫療(如CO?激光器)和廣播(如FM廣播)等領域。
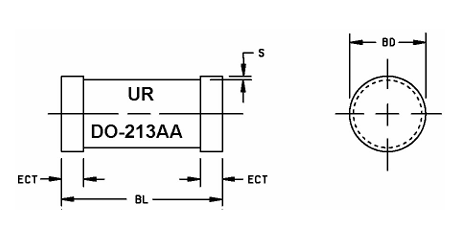
Microsemi 1N3595AUR是一款高可靠性開關二極管,采用金屬化鍵合、氣密封裝的雙插頭結構(DO-213AA),符合MIL-PRF-19500/241標準。其電氣特性包括寬范圍的正向電壓(0.52V-1.00V)、極低的反向漏電流(最大3μA)和快速反向恢復時間(≤3.0μs),適用于高頻開關、電源整流、脈沖電路及軍用航空電子設備。該二極管具有優異的熱性能,工作溫度范圍為-65°C至+175°C,支持高浪涌電流(1μs下4A)和125V直流反向電壓,封裝尺寸緊湊,引腳材料為銅包鋼,表面鍍錫/鉛,確保高穩定性和耐用性。
DEI0429-WMS是一款專為航空電子系統設計的高性能線路驅動器,支持ARINC 429、ARINC 571、ARINC 575和RS-422標準,適用于高速(100 kHz)和低速(12.5 kHz)數據傳輸。該驅動器廣泛應用于飛機通信、導航和飛行控制系統,確保數據傳輸的可靠性和穩定性。
Princeton Microwave的混頻器專為高性能和可靠性設計的射頻應用,如通信、雷達和電子戰。其主要特點包括:提供Watkins-Johnson混頻器的替代品,設計緊湊適用于空間受限的環境,工作頻率范圍從直流到3000 MHz,采用被動二極管技術,并提供多種封裝和尺寸以適應不同的應用需求。公司提供多種型號的混頻器,適用于不同的射頻和中頻范圍。
MTI-MILLIREN 專注于高性能石英晶體振蕩器及相關電子產品的設計與生產。其產品線豐富,涵蓋石英晶體振蕩器(XO)、溫度補償晶體振蕩器(TCXO)、壓控晶體振蕩器(VCXO)、恒溫晶體振蕩器(OCXO)、GPS可控振蕩器及頻率合成器等多種類型,廣泛應用于通信(蜂窩系統、衛星通信等)、航空航天與國防、工業與儀器儀表、便攜式設備等領域。
Linear Systems PAD-DFN 系列低漏電流二極管具有高反向擊穿電壓(≥-30V)、低反向電容(≤2.0pF)、低漏電流(最大反向漏電流根據型號不同,PAD5DFN 為 -5pA,PAD50DFN 為 -50pA)以及高可靠性(采用 8 引腳 DFN 封裝,體積小且非磁性),其連續功耗可達 300mW,工作結溫范圍為 -55°C 至 +150°C。該系列二極管適用于運算放大器保護和采樣保持電路等場景,提供多種封裝型號(如 DFN、TO-72、TO-92、SOT-23 等),滿足不同應用需求。
Connor Winfield的TFLD和TVLD系列是高精度TCXO和VCTCXO,專為電信設計,提供亞1ppm頻率穩定性,支持0-70°C或-40-85°C工作溫度,采用9×14mm表面貼裝封裝,符合RoHS標準,具有低抖動、三態功能和寬電壓范圍。
vishay CBB 和 CBC 是薄膜二進制 MOS 電容芯片,每片包含五個以二進制增量排列的不同容量電容,提供多種容量選擇。這些芯片采用 Vishay Electro-Films 的先進薄膜技術制造,經過 100% 電氣測試和目視檢查,符合 MIL-STD-883 標準。CBB 和 CBC 分別具有 0402 和 0404 封裝,容量范圍分別為最高 31 pF 和 93 pF,采用二氧化硅介質材料和半導體硅基底,背面鍍金,具有低介質損耗。它們設計用于通過線鍵合技術調整混合電路中的電容。
臺達(DELTA)HCB0750系列電感器是一系列高性能功率電感,適用于高電流和高頻率的電子設備應用。其電氣特性包括電感值范圍為70nH-150nH,直流電阻為0.19mΩ-0.46mΩ,飽和電流為34A-75A,脈沖電流為31A-48A,在25℃、100kHz和1V條件下表現出色,滿足多種高功率需求。
在線留言