Microsemi 1N3595AUR開關二極管
發布時間:2025-03-21 09:02:44 瀏覽:1729

產品概述
型號:1N3595AUR
類型:開關二極管
封裝形式:金屬化鍵合,氣密封裝,雙插頭結構(DO-213AA)
符合標準:符合 MIL-PRF-19500/241 標準
電氣特性
直流電氣特性
正向電壓(VF):
在 25°C 環境溫度下,不同正向電流(IF)下的正向電壓范圍:
1mA:0.52V - 0.70V
5mA:0.60V - 0.765V
10mA:0.65V - 0.80V
50mA:0.74V - 0.88V
100mA:0.79V - 0.92V
200mA:0.83V - 1.00V
反向漏電流(IR):
在 25°C 環境溫度下,125V 反向電壓時,反向漏電流小于等于 0.002μA
在 -55°C 環境溫度下,100V 反向電壓時,反向漏電流小于等于 150μA
在 150°C 環境溫度下,125V 反向電壓時,反向漏電流小于等于 3μA
反向擊穿電壓(VBR):
在 25°C 環境溫度下,反向擊穿電壓大于等于 100V
交流電氣特性
電容:在 0V 偏壓下,電容小于等于 8.0pF
反向恢復時間(TRR):在 10mA 正向電流和 35V 反向電壓下,反向恢復時間小于等于 3.0μs
極限參數
工作溫度范圍:-65°C 至 +175°C
存儲溫度范圍:-65°C 至 +175°C
浪涌電流:
1s 正弦波:500mA
1μs 正弦波:4A
總功耗:500mW
工作電流:在 25°C 環境溫度下,最大 150mA
直流反向電壓(VRWM):125V
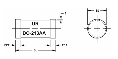
封裝尺寸
封裝類型:DO-213AA
尺寸:
長度(L):1.60mm - 1.70mm
寬度(W):3.30mm - 3.70mm
高度(H):0.41mm - 0.55mm
引腳間距(S):最小 0.03mm
設計數據
封裝:氣密封裝玻璃外殼,符合 MIL-PRF-19500/241 標準
引腳材料:銅包鋼
引腳表面處理:錫/鉛
熱阻(ZθJX):最大 70°C/W
極性:陰極端帶有標記
應用場景
1N3595AUR 適用于需要高可靠性和快速開關性能的電路,例如:
高頻開關電路
電源電路中的整流和保護
脈沖電路
軍用和航空電子設備
Microsemi 是美國高可靠性電子元器件廠商,其軍級二三級管產品,被廣泛應用于全球高端市場,深圳市立維創展科技有限公司,授權代理銷售Microsemi軍級二三級產品,大量原裝現貨,歡迎咨詢。
推薦資訊
Microsemi的SMCG5629至SMCG5665A和SMCJ5629至SMCJ5665A系列是專為保護對低鉗位電壓敏感的組件而設計的表面貼裝瞬態電壓抑制器(TVS)。這些產品具有低輪廓表面貼裝J型或鷗翼型端子,適用于高電流脈沖保護,提供高可靠性篩選選項和金屬鍵合,工作電壓范圍為5.5V至171V,支持高熱效率和廣泛的工作及存儲溫度范圍(-55°C至+150°C),適用于航空、衛星等輕量化應用,并符合多項國際標準進行浪涌和防雷保護。
TPSM63603同步降壓電源模塊是高度集成化36V、3A多功率集成了DC/DC解決方案MOSFET、屏蔽屏蔽電感器和數個無源設備用高性能HotRod?QFN封裝。TPSM63603?的VIN和VOUT管腳設置封裝的角落,可調整輸入輸出電布局中安置容器。
在線留言