- 產品詳情
TYPE:Two cylinder two stroke (opposed)
DISPLACEMENT:183 cm3 (11.5 in3)
STROKE:40 mm (1.57 in)
BORE:54 mm (2.13 in)
MAX. PERFORMANCE:11 kW (15 HP) at 6500 rpm according DIN 70020
RPM RANGE:2500-6500 RPM
MIXTURE FORMATION:Fuel injecton
IGNITION SYSTEM:Dual Ignition
FUEL MIXTURE :Kerosene based fuels like Jet A, Jet A1, JP5, JP8
WEIGHT:11,5 kg (25 lbs) with exhaust system,sensors and wiring harness
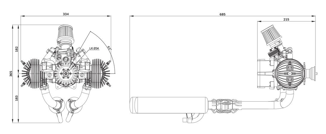
LENGTH:215 mm (8.46 in)
WIDTH:334 mm (13.14 in)
HEIGHT:365 mm (14.37 in)
COOLING:Air cooled
RUNNING DIRECTION:Clockwise, view to output shaft
CONTROL:Integrated throttle servo (Fa. Volz)

OPTIONS:
3 exhaust styles
Up to 1kW starter/generator
Engine mounting