Renaissance 12A4BG-40N雙定向耦合器
發布時間:2025-07-25 08:56:22 瀏覽:1984
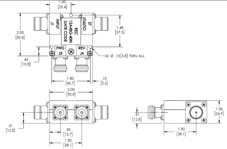
Renaissance 12A4BG-40N是一款雙定向耦合器,由 Renaissance Electronics公司生產。其工作頻率范圍為700MHz至4.2GHz,尺寸為2×2×1.06英寸,適用于測試和測量應用。


Renaissance Electronics & Communications, LLC 是一家專注于高可靠性無源和有源組件以及子系統的設計和制造公司,其產品廣泛應用于軍事和商業領域。HXI公司(已被Renaissance收購)是一家專注于射頻和微波技術的公司,主要為國防、太空和航空市場提供廣泛的產品線,包括低噪聲放大器、功率放大器、頻率倍增器、混頻器/上變頻器、波導隔離器和環行器以及PIN開關等,頻率覆蓋從18 GHz至110 GHz。深圳市立維創展科技有限公司優勢供銷Renaissance/HXI產品,歡迎咨詢了解。
推薦資訊
適配器是個接口轉換器,可以是個單獨的硬件接口機械設備,允許硬件設備或電子端口連接到其它硬件設備或電子端口,或信息端口。Bird射頻?具有各種各樣QC系列迅速替換射頻適配器,以滿足用戶的射頻需求。
Bird射頻?150瓦常規冷卻射頻功率衰減器是種有價值、安全可靠的配件,可用來減少功率水平、隔離被測零部件、分析諧波信號作為比較標準。
在線留言