20 dB),適用于衛星通信、雷達及基站等射頻系統。其耐功率達250W峰值/25W均值,工作溫度范圍-40至+85°C,采用緊湊設計(外徑12.1mm×高4.4mm),配備3引腳(間距2.0mm)和4個1.0mm安裝孔,滿足嚴苛環境下的高隔離信號傳輸需求。">
RFCI RFCR2911法蘭安裝嵌入式環行器
發布時間:2025-04-11 09:07:24 瀏覽:1580
這是RFCI生產的RFC2911的法蘭安裝嵌入式同軸環行器。環行器是一種用于微波和射頻通信系統中的非互易性器件,它允許信號在一個方向上通過,而在相反方向上阻止信號。RFCR2911環行器適用于需要高隔離度和低插入損耗的射頻和微波應用,如衛星通信、雷達系統和無線通信基站。

電氣規格
頻率范圍:13.0 GHz至16.0 GHz
插入損耗:典型值小于0.45 dB,最大值0.50 dB
隔離度:典型值大于20 dB,最小值18 dB
回波損耗:典型值大于20 dB,最小值18 dB
功率和溫度等級
正向功率:峰值/平均值250/25W
反向功率:最大10W
工作溫度:-40至+85°C
存儲溫度:-40至+95°C
機械尺寸
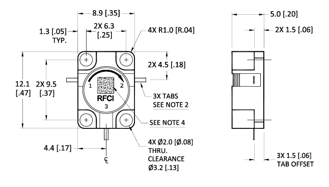
尺寸:外徑12.1mm,高度4.4mm
安裝孔:4個直徑1.0mm的安裝孔
引腳:3個引腳,間距2.0mm
引腳偏移:1.5mm
RFCI是一家專業生產射頻(RF)環行器和隔離器的公司,產品覆蓋了從50 MHz到20 GHz的頻率范圍,廣泛應用于通信和無線基礎設施。深圳市立維創展科技有限公司優勢代理銷售RFCI產品,歡迎咨詢了解。
推薦資訊
Kuhne KU PA 040048-60 HY 是一款專為400-480MHz UHF頻段設計的MOSFET功率放大器,適用于模擬傳輸系統。其核心參數包括:輸入功率17dBm(最大20dBm),輸出功率達60W(P3dB 47.7dBm),增益≥34dB,諧波抑制≥55dB,效率≥30%(12-14V供電)。主要應用于無線通信及廣播系統的高功率信號放大場景。
RFCI的RFSL2857射頻同軸隔離器適用于3000-3500MHz高頻信號處理,提供信號隔離以防止反射和干擾,典型插入損耗<0.25dB,隔離度和回波損耗均>23dB。支持1000W(峰值)/100W(連續)前向功率和1000W(峰值)/20W(連續)反向功率,工作溫度-40°C至+85°C。采用鍍鎳鋼外殼和鍍銀鈹銅引腳,尺寸為直徑19.0mm×高度6.5mm,配備4個2.5mm安裝孔和2個2.0mm間距引腳,適用于通信設備和雷達系統等高功率應用。
在線留言