TOREX XC6365/XC6366系列多功能降壓DC/DC控制器
發布時間:2025-01-21 08:48:10 瀏覽:1092
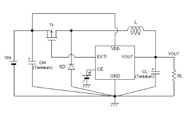
Torex XC6365/XC6366系列是多功能降壓DC/DC控制器,具有1A輸出電流能力,通過使用外部連接的晶體管、線圈、二極管和電容器實現。輸出電壓可在1.5V至6.0V(Vout)之間以0.1V的增量進行編程(±2.5%精度)。此外,內部1.0V的標準電壓供應和使用外部連接的組件,可以自由設置輸出電壓(FB)。通過300kHz的開關頻率,可以減小外部組件的尺寸。
XC6366(PWM/PFM可切換)在輕負載時從PWM切換到PFM,該系列從輕負載到大輸出電流都具有高效率。XC6365/XC6366A、B系列的軟啟動時間內部設置為10ms,XC6365/66C、D系列通過外部連接電阻和電容器來調節軟啟動時間。
在待機時間(CE引腳“低”),電流消耗減少到小于0.5μA。內部UVLO(欠壓鎖定)功能會在電壓低于規定值時強制關閉外部晶體管。

應用領域
電子書閱讀器/電子詞典
智能手機/移動電話
筆記本電腦/平板電腦
數字音頻設備
多功能電源
產品特點
輸入電壓范圍:2.2V至10V(Vout類型)
輸出電壓范圍:1.5V至6.0V(0.1V增量)(±2.5%)
振蕩頻率:300kHz(±15%)
輸出電流:超過1.0A(Vin=5.0V,Vout=3.0V)
高效率:92%(典型值)
待機能力:Istb=0.5μA(最大值)
選擇:外部軟啟動設置
輸出電壓設置:內部(Vout)和外部(FB)
PWM/PFM控制(XC6366)
最大占空比:100%
封裝:SOT-25,USP-6C
環保:符合歐盟RoHS標準,無鉛
Torex特瑞仕XCL系列PoL非隔離電源模塊可用Cyntec電源模塊進行替代,具體替代方案可咨詢立維創展。
推薦資訊
Gamma High Voltage Research, Inc. 是一家成立于1981年、總部位于美國佛羅里達州奧蒙德海灘的高壓電源和儀器設計與制造公司,擁有超過50年的行業經驗。其產品涵蓋100V至500KV的電壓范圍和1W至6KW的功率范圍,包括高壓電源模塊、高壓分壓器和定制化解決方案,廣泛應用于工業、科學與分析儀器、激光設備以及安全與檢測領域。
CUI? PDQ15-D系列是一款高效、隔離型 DC-DC 轉換器,最高輸出功率為15W,效率88%,溫度范圍-40°C至 +105°C,采用行業標準 1" x 1" 封裝(25.4 x 25.4 mm),適用于工業、通信、醫療等嚴苛環境應用。
在線留言