PmTA-721-45-2.3低噪聲放大器Princeton Microwave
發布時間:2024-12-23 09:10:01 瀏覽:1641

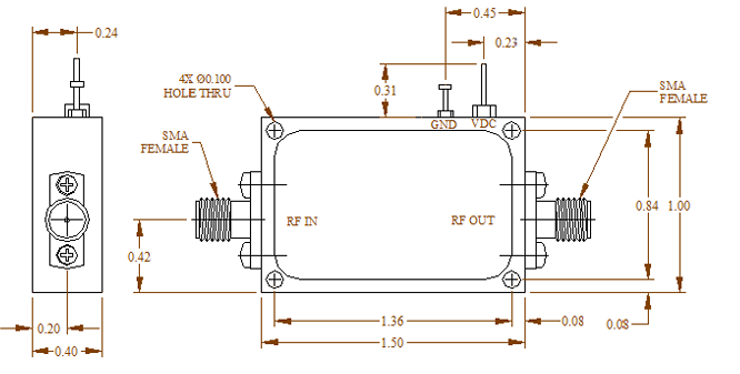
PmTA-721-45-2.3低噪聲放大器適用于需要高增益和低噪聲系數的應用,如通信系統、雷達和電子戰系統。
| Electrical Specifications (TA=25C) | |
| Parameters | Specifications |
| Frequency | 7 to 21 GHz |
| Small Signal Gain | 45 minimum |
| Gain Flatness | ±1.25 dB |
| Noise Figure | 2.3 dB at mid band |
| Input Return Loss | -10 dB |
| Output Return Loss | -10 dB |
| Pout | 15 dBminimum |
| Operating DC Voltage | 12 Volts |
| Operating DC Current | 100 mA |
| Connectors | SMA Female |
| DC Connector | Solder in Filter |
| Absolute Maximum Rating | |
| DC Voltage | 20 Volts |
| RF Input Power | 5 dBm |
| Operating Temperature | -40°C to85°℃ |
| Storage Temperature | -55°C to 150℃ |
尺寸:

PmT公司自1993年起為軍事和電信市場提供高質量的微波器件,如振蕩器和放大器。該公司產品系列包括各種振蕩器、低噪聲放大器、功率放大器、功率分配器、耦合器、濾波器、混頻器等。立維創展代理分銷PmT公司產品,歡迎了解。
推薦資訊
STATEK CXOU3ST-32.768K石英振蕩器:高精度,低功耗,適用于醫療植入物。頻率:32kHz ~ 100kHz,電壓:1.2V ~ 5.0V。校準公差:±50ppm至±20ppm。穩定老化率:第一年2ppm。耐沖擊,振動(5000g, 20g),寬溫度范圍:-40°C至+85°C(工業),-55°C至+125°C(軍事)。
Statek公司的CX1HT、CX4HT和CX9HT高溫晶體振蕩器,能在225°C下穩定工作,適用于極端工業環境,具有高抗沖擊性和氣密性陶瓷封裝。
在線留言