JANTX1N5772低電容二極管陣列 10引腳陶瓷封裝Microsemi
發布時間:2024-11-19 13:53:23 瀏覽:1843
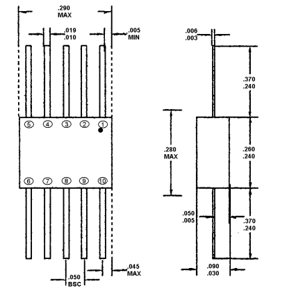
1N5772是一款低電容二極管陣列,由多個獨立的隔離結組成,通過平面工藝制造,并封裝在10引腳的陶瓷扁平封裝中。這些二極管用作轉向二極管,保護多達八個I/O端口免受ESD(靜電放電)、EFT(電快速瞬變)或浪涌的影響,通過將它們導向正電源線和地線。可以添加外部TVS二極管以防止電源軌上的過電壓。它們也可用于快速開關核心驅動器應用,包括計算機和外圍設備,如磁芯、薄膜存儲器、鍍線存儲器等,以及解碼或編碼應用。這些陣列提供了集成電路的許多優勢,如高密度封裝和提高的可靠性。


特性與應用:
密封陶瓷封裝。
隔離二極管消除串擾電壓。
高擊穿電壓VBR > 60V(10μA)。
低漏電流IR < 100nA(40V)。
低電容C < 8.0pF。
提供符合MIL-PRF19500/474標準的JAN、JANTX、JANTXV和JANS篩選選項,通過在零件號前分別添加MQ、MX、MV或MSP前綴來指定。例如,MX1N5772表示JANTX篩選。
適用于高頻數據線、RS-232 & RS-422接口網絡、以太網10 Base T、計算機I/O端口、局域網、開關核心驅動器等。
符合IEC 61000-4兼容性標準。
最大額定值(機械和包裝):
反向擊穿電壓:60Vdc。
連續前向電流:300mA dc。
峰值浪涌電流(tp=1/120s):500mA dc。
每個結在25°C時的功率耗散:400mW。
每個封裝在25°C時的功率耗散:500mW。
工作結溫范圍:-65至+150°C。
存儲溫度范圍:-65至+200°C。
重量:約0.25克。
電氣特性(每個二極管):
最大前向電壓VF1:在100mA時測量。
最大前向電壓VF2:在500mA時測量。
最大反向電流IR1:在40V時測量。
最大電容(引腳到引腳)Ct:在0V和1MHz頻率下測量。
最大前向恢復時間tfr:在500mA時測量。
最大反向恢復時間trr:在200mA時測量。
Microsemi 是美國高可靠性電子元器件廠商,其軍級二三級管產品,被廣泛應用于全球高端市場,深圳市立維創展科技有限公司,授權代理銷售Microsemi軍級二三級產品,大量原裝現貨,歡迎咨詢。
推薦資訊
LS94和SST94是Linear Systems公司生產的單通道P溝道JFET開關,專為超低噪聲音頻/聲學應用設計,可直接替代Toshiba 2SJ94。它們具有高跨導(22 mS)、高輸入阻抗(1 nA)、低電容(32 pF)和多種封裝形式(TO-92、SOT-89、裸片)。電氣特性包括柵極到漏極擊穿電壓25V、柵極到源極開啟電壓0.15V至2V、漏源飽和電流-30 μA至-2.6 mA等。這些特性使得LS94和SST94成為高增益放大應用中的理想選擇,尤其在高輸入阻抗和低噪聲需求場合。
Connor-Winfield DOT050F-010.0M 是一款高精度10MHz LVCMOS輸出的TCXO(溫度補償晶體振蕩器),采用3.3V供電,具有±50ppb全溫穩定性、≤5ps相位抖動及≤10ms快速啟動特性,通過6-SMD封裝(13.97×9.02×6.86mm)提供優異的頻率性能(老化率±300ppb/年,電壓/負載靈敏度±20ppb)和低相位噪聲(典型值-155dBc/Hz@100kHz),適用于5G通信、工業自動化及測試設備等高精度時鐘同步場景。
在線留言