Torex XCL232系列同步降壓微型DC/DC轉換器
發布時間:2024-11-18 08:49:18 瀏覽:1213
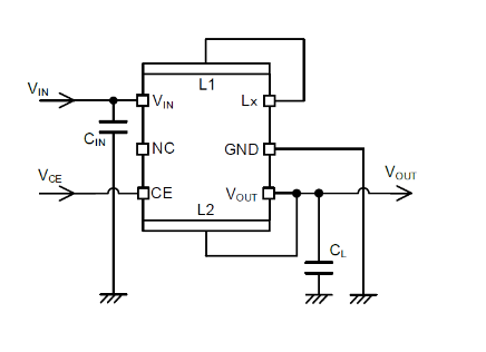
Torex公司的XCL232系列為同步降壓微型DC/DC轉換器,集成電感器與控制IC。采用超低電流消耗電路和PFM控制技術,封裝集成IC和線圈,僅需兩個外部電容器就能配置電源。該系列具備超低功耗電路,輸出電壓范圍為0.5V - 3.6V,有內部欠壓鎖定(UVLO)功能,還帶有D型輸出電容器放電功能。

應用
- 智能電表
- 低功耗射頻設備
- 傳感器模塊
- 可穿戴設備等多種設備
產品特點
輸入電壓:1.8V - 6.0V
輸出電壓設置:0.5V - 1.9V(0.05V增量)、2.0V - 3.6V(0.1V增量)
輸出電壓精度:±20mV(VOUT ≤ 1.0V)、±2.0%(VOUT>1.0V)
輸出電流:150mA
待機電流:200nA(VOUT = 1.8V)
控制模式:PFM控制
效率:86%(特定條件下)
放電功能:D型電容器放電
保護功能:UVLO
封裝:CL - 2025 - 03(2.5x2.0x1.04mm)
Torex特瑞仕XCL系列PoL非隔離電源模塊可用Cyntec電源模塊進行替代,具體替代方案可咨詢立維創展。
推薦資訊
Cyntec的MUN12AD06-SM可對TI TPSM86638,TPSM86637,TPSM843620E,TPSM843620,TPSM5D1806E,TPSM5D1806,TPSM84624,LMZ31506,TPS84621,TPS84620進行參數替代。
DATEL的PT12-20 POL非隔離DC-DC模塊,輸入6至14V,輸出0.75至5V,20A電流,效率高達90%,具備短路和過熱保護,工作溫度-40°C至+85°C,適用于高功率密度和可靠性的POL應用。
在線留言