DAC39RF10-SP數模轉換器(DAC)TI
發布時間:2024-08-08 09:14:24 瀏覽:1757

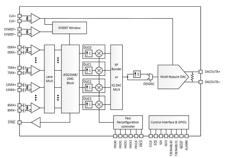
DAC39RF10-SP 是TI德州儀器生產的一款具有 16 位分辨率的雙通道和單通道數模轉換器 (DAC)。以下是該產品的詳細介紹:
主要特性:
分辨率:16 位
DAC 通道數:2
接口類型:JESD204B、JESD204C
采樣/更新速率:10400 Msps(雙通道),20800 Msps(單通道)
插值選項:提供多種插值倍數,包括 128 倍、12 倍、16 倍、192 倍、1 倍、24 倍、256 倍、2 倍、32 倍、3 倍、48 倍、4 倍、64 倍、6 倍、8 倍、96 倍
功耗:典型值為 3800 mW
無雜散動態范圍:85 dB
工作溫度范圍:25°C 到 25°C
應用場景:
直接射頻采樣:能夠在超過 10GHz 的載波頻率下生成高達 10GHz、7.5GHz 和 5GHz 的信號帶寬,支持對 C 帶進行直接采樣。
復數基帶信號生成:適用于生成復雜的基帶信號。
任意波形生成 (AWG):利用高采樣速率和 64 位 NCO 頻率分辨率實現。
直接數字合成 (DDS):支持相位相干的跳頻。
接口和同步:
串行接口:符合 JESD204B 和 JESD204C 標準,具有 16 個接收器對,速率高達 12.8Gbps。
確定性延遲和多器件同步:通過使用 SYSREF 實現。
其他特性:
超高速:適用于需要極高數據速率的應用。
建筑電流源:確保穩定可靠的電流輸出。
引用類型:支持分機和整數類型。
DAC39RF10-SP 是一款適用于高性能射頻和通信系統的高速數模轉換器,能夠滿足復雜信號生成和處理的需求。
推薦資訊
XC9220/XC9221系列是Torex公司推出的16V輸入電壓降壓型DC/DC控制器IC,具有高效率、高輸出電流(高達3A)和靈活的配置特性。該系列支持低ESR陶瓷電容器,提供0.9V(±1.5%)參考電壓,可通過外部電阻自由設置輸出電壓,并提供300kHz、500kHz和1.0MHz的內部開關頻率。XC9220采用PWM控制,而XC9221則支持PWM/PFM自動切換,以優化輕負載效率。其內置UVLO功能、軟啟動控制和多種保護機制(如短路保護)確保了系統的穩定性和可靠性。該系列產品廣泛應用于機頂盒、數字電視、智能手機、筆記本電腦等設備,工作溫度范圍為-40℃至+85℃,符合RoHS標準。
MAX3747AEUB+T/MAX3747BEUB+T是Maxim Integrated(現屬ADI)推出的多速率限幅放大器,適用于SONET、光纖通道和千兆以太網光接收器的數據量化。支持OC-3至OC-48速率,輸入電壓范圍寬泛,輸出電壓分500mVP-P(MAX3747)和800mVP-P(MAX3747A/B)兩檔。MAX3747B優化了過載時的LOS(信號丟失)檢測,并集成可編程LOS/禁用功能以實現靜音控制。采用10引腳μMAX?封裝(3mm),緊湊適配小型化接收器設計,且與Micrel的SY88993V引腳兼容。
在線留言