XCA204A0K1MR降壓DC-DC電源模塊TOREX
發布時間:2024-07-04 09:24:06 瀏覽:2581
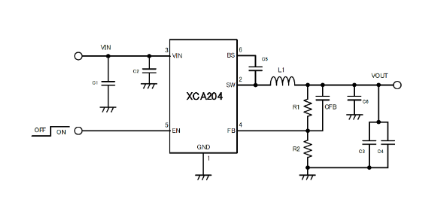
XCA204A0K1MR是由Torex公司生產的一款高性能同步降壓DC/DC電源模塊。這款轉換器設計用于將較高的輸入電壓降低至較低的輸出電壓,適用于多種電子設備的電源管理需求。

該模塊的主要特點包括:
1. 工作電壓范圍:XCA204A0K1MR的工作電壓范圍為4.5V至18.0V,這使得它能夠適應多種輸入電壓條件。
2. 內置Nch-Nch驅動FET:模塊內部集成了N溝道MOSFET作為驅動器,這有助于提高轉換效率和簡化外部電路設計。
3. 輸出電壓可調:通過外部電阻R1和R2,用戶可以將輸出電壓設置在0.8V至0.65×VIN或最高7.0V之間,提供了靈活的電壓調節能力。
4. 工作頻率:該模塊的工作頻率為700kHz,這有助于減小外部元件的尺寸并提高轉換效率。
5. 控制方式:采用PWM/PFM自動切換控制方式,根據輸出電流的需求在PWM(脈寬調制)和PFM(脈沖頻率調制)之間自動切換,以實現在不同負載條件下的高效率轉換。
6. 軟啟動時間:內部固定的軟啟動時間為1.3ms,有助于減少啟動時的電流沖擊。
7. 保護功能:內置欠壓鎖定(UVLO)功能,當輸入電壓降至4.1V以下時,會自動關閉驅動FET以保護電路。此外,還具備過流保護和熱關斷功能,確保在異常情況下設備的安全運行。
規格參數:
![]() 輸入電壓 | 4.5V~18V (絕對最大20V) |
| 輸出電壓 | 0.8V ~ 0.65×VIN 或7V Max |
| FB電壓 | 0.765V ±3.0% |
| 輸出電流 | 3.0A |
| 工作頻率 | 700kHz |
| 控制方式 | PWM/PFM 自動切換 |
| 效率 | 92% |
| 內部功率 MOSFET | High-side 85mΩ |
| Low-side 45mΩ | |
| 軟啟動時間 | 1.3ms |
| 保護功能 | UVLO |
| 電流限制 | |
| 熱關斷 | |
| 電容 | 對應陶瓷電容 |
| 工作環境溫度 | -40℃ ~ 85℃ |
| 環保相關 | 符合歐盟 RoHS 指令,無鉛 |
XCA204A0K1MR適用于多種應用場景,包括機頂盒、便攜式電視、液晶電視和AP路由器等,為這些設備提供穩定可靠的電源解決方案。
推薦資訊
EN5366QI是Intel的一款集成電源系統模塊,專為高性能、低功耗的處理器、DSP、FPGA等設計。該模塊集成電感、MOSFET和控制器,占地面積小,僅需3個MLCC電容,能提供高達20W的連續輸出功率,效率高達93%,支持5MHz開關頻率。具有寬輸入電壓范圍、輸出控制和多重保護功能,符合RoHS標準,適用于負載點調節、計算設備、通信網絡等領域。
Cyntec的MUN12AD01-SG是一款高效、緊湊且易于集成的非隔離型DC-DC轉換器,是替代TI電源模塊TPSM82901、TPS82150、LMZ21701和LMZ12001的優選方案。
在線留言