XCL211B082DR降壓DC/DC轉換器Torex
發布時間:2024-05-21 09:37:24 瀏覽:3124
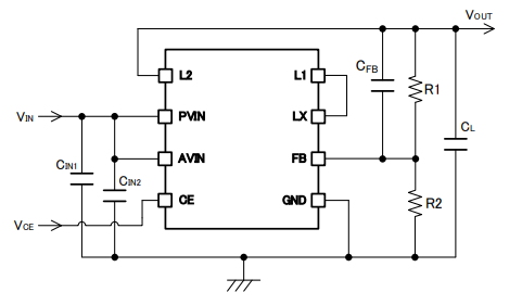
XCL211B082DR是一款由Torex生產的超小型降壓DC/DC轉換器,屬于XCL211系列。該系列產品將線圈和控制IC集成在一個封裝內,尺寸僅為3.1mm×4.7mm,高度為1.3mm,這種緊湊的設計簡化了電路板布局,并有助于減少因電路布線引起的錯誤動作或噪聲。

該轉換器的輸入電壓范圍為2.7V至6.0V,輸出電壓可以通過外部電阻從0.9V起任意設定,其反饋電壓為0.8V±2%。XCL211系列的工作頻率是固定的,這有助于抑制輸出紋波。軟啟動時間設定為1ms(典型值),確保輸出電壓能夠快速啟動。限定電流功能設定為4.0A(典型值),內置的UVLO功能在輸入電壓低于2.4V(典型值)時會強制停止內部驅動晶體管的工作,以保護電路。
當CE(Chip Enable)信號為低電平時,內置的CL放電功能會釋放負載電容(CL)中的電荷,從而將待機時的消耗電流控制在1.0μA以下,有助于降低功耗。
XCL211B082DR的主要技術參數包括:
- 效率:高達94%(在VIN=5.0V,VOUT=3.3V時)
- 輸出電流:2.0A
- 振蕩頻率:2.4MHz
- 最大占空比:100%
- 控制方式:PWM(XCL211)或PWM和PFM(XCL212)
- 功能:限流(自動返回)、軟啟動、CL放電、UVLO
- 輸出電容:推薦使用低ESR陶瓷電容
- 工作環境溫度:-40℃至85℃
- 包裝:USP-11B01
- 環保:符合歐盟RoHS標準,無鉛
XCL211B082DR適用于多種應用場景,包括筆記本電腦、打印機、平板電腦和便攜式導航設備(PND)等。其高效率、緊湊的尺寸和豐富的保護功能使其成為電子設備中電源管理的理想選擇。
推薦資訊
Microsemi GC41982-M1,原裝現貨,庫存324 ,價格優惠。
晶體控制振蕩器可分為兩大類:正電抗或負電抗。正電抗模式通常被稱為“平行諧振”或“反諧振”振蕩器。皮爾斯振蕩器是一種常見的正電抗振蕩器。負電抗模式通常被稱為串聯振蕩器。Statek晶體的設計和調整為特定的操作模式(表1)。
在線留言