HCL3系列高功率電感器Vanguard Electronics
發布時間:2024-04-03 09:42:36 瀏覽:2619
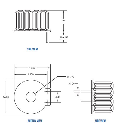
Vanguard Electronics公司的HCL3系列是一款高功率電感器產品,這款電感器以其高可靠性為顯著特點,并適用于需要最高功率密度的環境。

電氣規格:
?工作溫度:?55℃~ +180℃
?存儲溫度:?55℃~ +180℃
電感量程(mH):0.027 - 17.0
DCR最大值(歐姆):0.006 - 2.8
額定電流(A):1.7 - 50
?溫升:參見性能曲線
?介電耐壓:500 VRMS
?可根據要求提供不同的電氣值
特性
?端子:錫鉛,無鉛(RoHS), HMP要求高溫版本
?防潮,防震,耐浸漬
?磁屏蔽
應用:
?直流電源扼流圈
?諧振電感
?輸入/輸出過濾器
?擺動電感
產品型號:
| Vanquard P/N | Inductance ±10% (mH) | Inc.Inductance (mH) | DCR max (Ohms) | Rated Current ADC) | Lead Dimension “D” |
| HCL3-270 | 0.027 | 0.015 | 0.006 | 50 | 0.082 |
| HCL3-430 | 0.043 | 0.031 | 0.015 | 35 | 0.065 |
| HCL3-680 | 0.068 | 0.033 | 0.015 | 35 | 0.058 |
| HCL3-101 | 0.10 | 0.067 | 0.02 | 22 | 0.058 |
| HCL3-231 | 0.23 | 0.120 | 0.04 | 15 | 0.051 |
| HCL3-611 | 0.65 | 0.380 | 0.11 | 9.9 | 0.041 |
| HCL3-102 | 1.0 | 0.670 | 0.18 | 7.1 | 0.033 |
| HCL3-182 | 1.8 | 1.3 | 0.45 | 4.5 | 0.026 |
| HCL3-252 | 2.5 | 1.8 | 0.60 | 4.0 | 0.024 |
| HCL3-502 | 5.0 | 3.5 | 1.0 | 3.0 | 0.021 |
| HCL3-752 | 7.5 | 5.4 | 1.6 | 2.4 | 0.019 |
| HCL3-103 | 10.0 | 6.7 | 1.8 | 2.2 | 0.019 |
| HCL3-153 | 15.0 | 10.3 | 2.6 | 1.8 | 0.017 |
| HCL3-173 | 17.0 | 11.3 | 2.8 | 1.7 | 0.017 |
相關推薦:
Vanguard Electronics HCL1系列大電流功率電感器
如需了解更多關于Vanguard Electronics相關產品信息可咨詢立維創展。
推薦資訊
Solitron Devices 推出的SD11740是1200V 碳化硅 (SiC)、低 RDS(on) MOSFET。
DEI?為28VDC航空電子產品設備儀器和工業電源系統總線提供電壓浪涌保護器。按照RTCADO160,Z類:異常浪涌電壓(DC)技術水平,它能夠保障機器設備免遭電壓浪涌。欠壓鎖定功能模塊確保僅在最低標準安全可靠工作電壓技術水平下可以使用。
在線留言