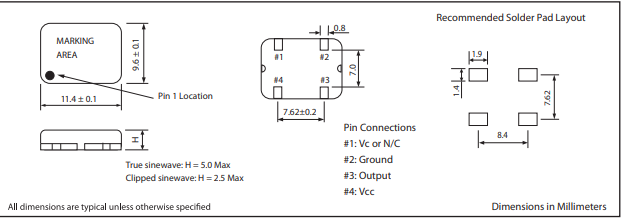
MTI-milliren403系列TCXO溫補晶振
發布時間:2024-02-15 11:41:49 瀏覽:2114
MTI-milliren403系列TCXO溫補晶振特征:
符合 RoHS 標準、真正弦波、削波正弦波或 HCMOS/TTL 兼容方波輸出
用于電氣頻率調節的電壓控制選項
ASIC電路、無微調、回流焊的高可靠性
低相位噪聲、免微調、回流焊

| 規范 | |
| 參數 | 可用范圍 |
| 頻率范圍 | 1.25 MHz 至 40 MHz |
| 電源電壓 (Vcc) | 5 V ± 5%;3.3 V ±5%; |
| 輸入電流 | 最大 30 mA (HCMOS) ;最大 2.0 mA(正弦波) |
| 頻率穩定性與溫度的關系 | ±2.5 ppm(最大值)/-30°C 至 80°C |
| 溫度范圍 | 0°C至70°C;-40°C至85°C;0°C至50°C;-30°C至75°C |
| 頻率與電壓 | 最大 ±0.3 ppm / Vcc ± 5% |
| 頻率與負載 | ±0.3 ppm 最大值 / 10 kOhms/ 10 pF ± 10% |
| 老化 | ±25°C 時每年最大值為 1.0 ppm |
| 相位噪聲 | -140 dBc/Hz (10 kHz) |
電調諧
| 可控頻率選項 | 電壓控制選項:最小 ±8 ppm |
| 控制電壓 (Vc) | Vcc = 5 V 時為 2.5±2.0 V;1.65±1.5 V(Vcc = 3.3 V) |
| Vc在Fnom時的可設定性,25°C | 2.5±0.5 V DC 用于 5.0V 部分;1.65±0.4 VDC 用于 3.3V 部分 |
正弦波輸出
| 輸出負載 | 10 kOhms 或 10 pF ±10% |
| 輸出波形 | 正弦波 |
| 輸出電平 | 最小 0.8 Vp-p |
HCMOS/TTL輸出
| 輸出負載 | CMOS 15 pF |
| 邏輯“1”/邏輯“0”電平 | 最小 0.9Vcc / 最大 0.1 Vcc |
| 上升/下降時間 (Tr/Tf) | 10 ns(最大值) |
| 占空比 | 非三態 60/40% |
相關推薦:
更多MTI-milliren品牌產品信息可咨詢立維創展。
推薦資訊
Marvell??Alaska?M88E2010/88E2040L是個符合實際IEEE802.3bz標準1端口(88E2010)或4端口(88E2040L)mac層(PHY)裝置產品系列。
Vishay的BFC280908003微調電容器:用于校準設備,可承受250VDC電壓,最高工作溫度125°C,尺寸10.9mm x 11mm x 10.5mm。特點:高溫型,適用于天線、阻抗匹配電路、醫療。
在線留言